Description
Description of the 240×320 st7789 display
This st7789 display for outdoor use is a 2.4-inch 240*320 industrial-grade LCD module specifically designed for harsh outdoor environments. It utilizes high-quality TFT (Thin-Film Transistor) technology and transflective LCD technology, ensuring clear visibility even in strong sunlight. Crucially, this st7789 display is manufactured with enhanced environmental adaptability, boasting a wide operating temperature range of -30℃ to 80℃ and resistance to 8KV electrostatic discharge, guaranteeing long-term stable operation under varying outdoor conditions.
Its 240×320 high resolution provides a detailed display, and coupled with the high-performance ST7789 driver chip and MCU interface, it is compatible with mainstream controllers such as C8051, Arduino, and STM32, making development convenient. This st7789 display is primarily used in outdoor instrumentation, industrial handheld devices, in-vehicle displays, and agricultural monitoring terminals, effectively addressing the three major pain points for customers: poor visibility in strong sunlight, susceptibility to failure at extreme temperatures, and low reliability in complex environments.
Specifications for the st7789 display

st7789 display Product Advantages
- Transflective TFT LCD Technology Advantage:This st7789 display for outdoor use features both transmissive and reflective modes. In bright outdoor light, it utilizes natural light reflection for display, significantly improving visibility and reducing backlight power consumption, completely solving the problem of outdoor screens becoming unreadable in bright sunlight.

- Industrial-Grade Wide Temperature Range and High Reliability Advantage: Supports extreme temperatures from -30℃ to 80℃ and has built-in anti-static ESD 8KV protection. This means that whether in the harsh outdoor conditions of northern winters or the high temperatures inside a car in summer, this 240×320 TFT LCD Display can operate stably, with strong anti-interference capabilities and an extremely low failure rate.

- Ready-to-Use Standard Interface and Driver Advantage: It uses a common 40PIN FPC interface and MCU parallel bus, with the core driver chip being ST7789. Market resources are abundant, and sample code is readily available. Developers can quickly integrate it into projects such as Arduino or STM32, significantly shortening product development cycles.
- Compact Design and High-Definition Resolution Advantage: With a compact size of only 2.4 inches, it boasts a 240×320 QVGA resolution and high pixel density, making it particularly suitable for outdoor portable devices that need to display rich information (such as icons, Chinese characters, and data curves) on a small panel.
What does a 240×320 resolution mean? What kind of display effect does it produce when applied to a 2.4-inch display?
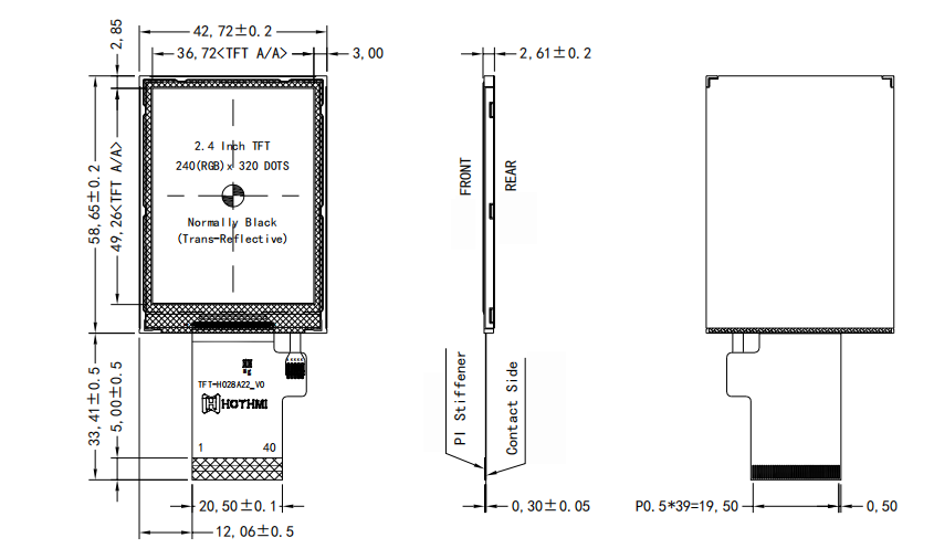
The 240×320 TFT LCD display achieves an impressive pixel density of approximately 166 PPI on its compact 2.4-inch screen. This means 76,800 individual pixels are finely arranged within the active display area (36.72mm x 49.26mm), with each pixel measuring a mere 0.153mm. Such a high-resolution layout in this small form factor results in exceptionally sharp and detailed visual output, effectively eliminating any grainy or pixelated appearance.
The 240×320 resolution provides ample canvas space for clear text rendering—capable of displaying hundreds of characters—vibrant icons, and structured graphical user interfaces. This combination delivers a smooth and information-rich viewing experience, rivaling early smartphone displays, while maintaining an optimal balance between visual fidelity, power efficiency, and system performance. The 240×320 TFT LCD display thus transforms the 2.4-inch viewing area into a premium visual interface ideal for applications requiring both compact size and high-quality graphics.
Application areas of 240×320 st7789 display
The 2.4-inch 240×320 TFT LCD display, due to its compact size, high definition, low power consumption, and excellent outdoor visibility, is primarily used in fields requiring miniaturized devices, information visualization, and strong environmental resistance.
Customization Options for the 240×320 TFT LCD Display
Our standard 240×320 TFT LCD display meets most needs. We also offer the following customization services:
- Backlight Brightness Customization:The standard brightness is 100 cd/m², but it can be increased to meet specific outdoor environment requirements.
- Touchscreen Overlay: Resistive or capacitive touch panels can be added to enable interactive functionality for the 240×320 TFT LCD display.
- Interface Conversion Board:An SPI interface conversion board is available to simplify wiring and is suitable for specific microcontrollers.
- Structural Component Customization: The size and mounting method of the front cover or bezel can be adjusted according to the customer’s enclosure design.
- Extended Temperature Range and Protection Rating:More extreme temperature ranges or waterproof and dustproof ratings can be evaluated upon request.
FAQ about the st7789 display
Q1: Can your outdoor-designed st7789 display really be seen clearly under direct sunlight?
A1: Absolutely. This is the core advantage of this 240×320 TFT LCD display designed “For Outdoor”. It utilizes unique Transflective technology, which actively enhances contrast by utilizing ambient light under sunlight. Its visibility is far superior to ordinary fully transmissive screens, ensuring that all content displayed on this 240×320 TFT LCD remains clear and readable even in strong outdoor light.
Q2: Is the operating temperature range of -30~80°C reliable? Can this st7789 display be used in outdoor equipment during winter?
A2: Extremely reliable. The wide-temperature feature of this 240×320 TFT LCD display has been rigorously validated. Its liquid crystal materials and circuit design are specifically reinforced for low-temperature response and high-temperature stability. Therefore, whether in winter cold or summer heat outdoors, this st7789 display guarantees stable and normal display performance.
Q3: Can this st7789 display be directly connected to my Arduino Uno board?
A3: It can be connected, but additional modules are typically required. This 240×320 TFT LCD display uses a standard 40PIN MCU parallel interface, while the Arduino Uno has limited I/O resources. We recommend using more powerful development boards like STM32 or ESP32, or equipping this 240×320 TFT LCD with a dedicated SPI interface converter board for simpler and more efficient integration with Arduino.
Q4: Are materials for the ST7789 driver chip that runs this 240×320 TFT LCD display easy to find? How difficult is the development?
A4: Materials for the ST7789 driver chip are very abundant and accessible. As a mature chip widely used in the market to drive 240×320 resolution TFT screens, you can easily find a wealth of open-source code libraries and driver examples tailored for the 240×320 TFT LCD display on platforms like GitHub, the Arduino community, and STM32 forums. This significantly lowers the development barrier, allowing your project to get started quickly.
Q5: What does “Anti-static ESD 8KV” mean for this 240×320 TFT LCD display in the product specifications?
A5: “Anti-static ESD 8KV” means that this 240×320 TFT LCD display module can withstand electrostatic discharge impacts of up to 8 kilovolts without damage. In dry outdoor or industrial environments, this design effectively prevents screen failure caused by human or equipment static electricity, thereby significantly enhancing the reliability and lifespan of this 240×320 TFT LCD.
Q6: Besides basic display, can I add touch functionality to this st7789 display?
A6: Certainly. We offer customized overlay services for Resistive (RTP) or Capacitive (CTP) touch screens. Depending on your end product’s usage scenario (e.g., resistive screens are often chosen for gloved operation), you can upgrade this standard 240×320 TFT LCD display into a complete 240×320 TFT LCD touch display module with touch interaction.














