Description
High-Performance 8-Inch Raspberry Pi LCD Display
When building embedded systems or professional DIY electronics projects, selecting the right display is a critical decision. This 8-inch Raspberry Pi LCD is engineered to provide a perfect balance between high-resolution visual clarity and seamless integration for creators, engineers, and industrial developers. Featuring a native 1024×768 resolution and optimized for the Raspberry Pi ecosystem, this display ensures a plug-and-play experience with long-term operational stability.
Raspberry Pi LCD Product Highlights
- Superior Visual Experience: The screen features an 8-inch full-color TFT panel with a physical resolution of 1024×768 (XGA). Whether you are displaying complex data dashboards or high-precision graphical user interfaces, every detail is rendered with sharp, crisp quality.
- Enhanced Color and Contrast: With support for a 60% NTSC color gamut, colors are vibrant and true to life. The Normally Black display mode provides deeper blacks and wider viewing angles, ensuring the screen remains readable under various lighting conditions and viewing positions.
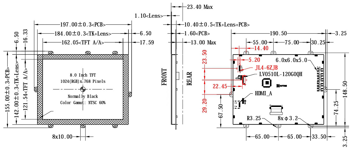
- Compact and Durable Industrial Design: The PCB dimensions are 197.00mm x 155.00mm, offering a slim profile for tight spaces. It includes standard mounting points, such as 8 x 3.2mm screw holes, allowing for quick integration into custom enclosures, kiosks, or 3D-printed cases.
- Versatile Interface Connectivity: It features an integrated standard HI interface, enabling direct connection to a Raspberry Pi, PC, or other embedded single-board computers without the need for cumbersome adapters or bridge boards.
- High Efficiency and Low Power Consumption: The optimized backlight driver circuit maintains high brightness levels while minimizing power draw, making it an excellent choice for portable or battery-powered devices.
Raspberry PI LCD Versatile Application Scenarios
- Raspberry Pi DIY Projects: Use it as the primary display for a portable microcomputer, a retro gaming console like RetroPie, or a high-definition multimedia player.
- Industrial Control and HMI: The compact size and high resolution are ideal for embedded industrial control panels, medical instrumentation interfaces, or smart building terminals.
- Smart Home Hubs: Deploy it as a centralized home dashboard to display weather updates, security camera feeds, or home automation controls.
- IoT Terminal Displays: Provide intuitive visual feedback for edge computing nodes that require real-time data visualization.

Technical FAQ for Raspberry Pi LCD Optimization
Q1: Does this 8-inch LCD require special drivers to work with a Raspberry Pi?
A: Since this display utilizes a standard HI input, the Raspberry Pi OS (formerly Raspbian) typically recognizes it automatically. To ensure a perfect 1024×768 pixel-to-pixel map, you simply need to configure the hi_group and hi_mode parameters in the config.txt file. No complex kernel drivers are required for basic display functionality.
Q2: How should I power this Raspberry Pi LCD? Can it run off the Pi’s USB port?
A: The display board is equipped with its own power management system. While some high-current Raspberry Pi USB ports might be able to power it, we recommend using a dedicated 5V power supply for the display driver board to ensure maximum stability and backlight consistency. This prevents screen flickering or system brownouts during peak processing loads.
Q3: Is the physical structure of the Raspberry Pi LCD suitable for various mounting methods?
A: Yes. The technical drawing shows 8 positioning holes with a diameter of 3.2mm distributed around the PCB. With precise spacing (such as the 65.00mm spans at the bottom), this design allows users to mount the screen using standoffs, panel clips, or rear-mounting brackets, providing great flexibility for industrial mechanical design.
Q4: What are the benefits of the 60% NTSC color gamut for professional use?
A: A 60% NTSC color gamut means the screen can reproduce a wider range of colors compared to standard budget embedded displays. This higher color saturation is vital for applications involving image monitoring, color-coded diagnostic tools, or multimedia interactions where visual fidelity is a priority.















