Description
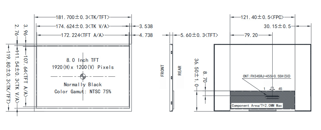
Features of the 8 inch TFT display 1920×1200
This high brightness display offers flexible configuration options with both non-touch (bare screen) and GT911 capacitive touch versions to meet diverse application needs.
It adopts an IPS full-view panel that delivers consistent, paired with a 75% NTSC wide color gamut for true-to-life and delicate color reproduction. With a high brightness of 1500 cd/m² and AG + AF coating, it ensures excellent sunlight readability while reducing ambient light interference for cleaner touch operations.
Equipped with a 2-port LVDS (8bit/VESA) interface and optional GT911 capacitive touch (supporting up to 5-point touch), it enables stable high-speed data transmission and flexible interaction. Its compact form factor (181.70×119.80×5.60mm for TFT-only, 190.70×128.80×7.70mm for TFT+CTP) and 3.3V wide-voltage supply (400-450mA operating current) facilitate easy integration into space-constrained devices. Built for durability, it operates reliably in a wide temperature range of -30℃ to +85℃, features ±8KV air ESD protection, and passes rigorous shock, vibration, and high-humidity tests; the LED backlight also offers a long lifespan of up to 30,000 hours, ensuring stable performance for long-term use.


This 8 inch high brightness display
This 8 inch high brightness display LCD backlight technology, with a brightness level reaching up to 1500 cd/m². It guarantees clear visuals and precise color performance even in strong ambient light, especially under direct outdoor sunlight.
The core strength of this high-brightness TFT display is its much higher peak brightness compared with conventional indoor displays. It effectively suppresses the interference from external light and lowers surface reflection, delivering outstanding visibility in bright environments.
Thanks to its excellent high-brightness performance, this 8 inch high brightness display is widely used in outdoor equipment and industrial control platforms.

Why Choose Our TFT LCD Module?
- Professional Quality: Manufactured by Shenzhen Hot Display Technology Co., Ltd., adhering to strict quality control standards—”Excellent Quality Based on Profession”.
- Seamless Integration: Standard MIPI interface and compact dimensions simplify integration with existing systems; optional CTP (Capacitive Touch Panel) version is available for customized needs.
- Long-Term Durability: High-quality LED backlight, robust glass substrate, and anti-static design (workshop humidity ≥50%RH recommended) ensure long service life and stable performance in demanding environments.
| Customized Cables/FPCs:Adjust cable length, position, and pinout, or add additional connectors to suit your needs. Get precisely engineered cable solutions to make your connections more streamlined and secure. |
| Touchscreen: Enhance your user experience with capacitive or resistive touchscreen technology. We can adjust the glass thickness or shape of the touchscreen to ensure a perfect fit for your design. |
| Interface Customization: Choose from a variety of interface options or speak with our experts to select the interface option that best suits your project. We can integrate interfaces such as HI, USB, SPI, VGA, etc. into your display to achieve your design goals. |
| Cover Glass: Custom-cut cover glass for your display for increased durability. Cover glass is available in a variety of thicknesses and optically bonded to protect against moisture and debris.Optional surface treatment: AF (anti-fingerprint oil) / AG (anti-glare) / AR (anti-reflection). |
Can this 8-inch high brightness display touch panel be customized?
Answer:Yes. HOTHMI provides customized services for touch panels.
| Cover Material:Optional tempered glass (up to 7H hardness) or acrylic for touch panels. |
| Cover Shape:Supports special-shaped cutting, hole opening, edging (2.5D, 3D), and customizable transmittance. |
| Cover color:Custom silk screen printing in various colors, commonly black or white. |
| Cover Thickness:Available in multiple specifications (mm): 0.55/0.7/1.0/1.1/1.8/2.0/3.0/4.0/5.0/6.0/8.0/10.0.etc |
| Light Transmittance:High light transmission efficiency, directly enhancing the touch panel’s visual performance. |
| Opening the hole: Can open through holes with a diameter of ≤10mm |
| Logo Printing:Supports silk screen logo printing in multiple colors. |
| Cover surface Treatment:AG (anti-glare) to eliminate screen mirroring; AR (anti-reflection) to reduce light reflection and improve outdoor visibility; AF (anti-fingerprint) to enhance glass gloss, reduce sliding resistance, and prevent water droplets/fingerprints. |
| Customized touch function chip:Offers customization of sensor materials, thickness, FPCs, interfaces, etc., translating touch actions into machine-recognizable signals. |
| Customized Brand Panels: Available brand options (Gorilla, Panda) with 7H/8H/9H hardness. |









-300x300.jpg)





