Description
8×2 LCD Display: High-Performance Compact Character Module
In the era of equipment miniaturization and high functional integration, the 8×2 LCD Display remains a cornerstone for engineers requiring clear data visualization within tight spatial constraints. The HTM0802B-01Y model is engineered to provide industrial-grade reliability for handheld devices and control panels where every millimeter counts.
Product Detailed Introduction: Technical Specifications
The HTM0802B is a high-quality 8×2 character LCD module driven by the industry-standard ST7066 controller. It is designed to display 2 lines of text with 8 characters per line, utilizing a 5×8 dot matrix format for optimal legibility.
Key Technical Parameters:
Display Type: STN-Yellow Green, Transflective, Positive mode. This ensures the 8×2 LCD Display is readable under direct sunlight while providing excellent clarity in dark environments via its integrated backlight.
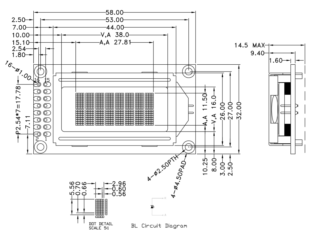
Physical Dimensions: The module measures 58.00mm x 32.00mm with a maximum thickness of 14.5mm, making it ideal for low-profile enclosures.
Driver IC: Features the ST7066-0T controller, which is fully compatible with 4-bit and 8-bit parallel interfaces.
Electrical Specs: Operates on a standard 5.0V supply with a low-power backlight requiring only 15mA.
Temperature Range: Built for durability with an operating temperature of -20°C to +70°C and storage capabilities from -30°C to +80°C.

Core Product Highlights
- High Contrast and Wide Viewing Angle:
Designed with a 6 o’clock viewing direction, this 8×2 LCD Display offers sharp character definition and high contrast, reducing reading errors in critical industrial monitoring tasks.
- Environmental Resilience:
Unlike consumer-grade screens, the HTM0802B is built for 24/7 industrial operation. It features enhanced resistance to electrostatic interference and thermal cycling.
- Seamless Integration:
The standard 16-pin interface (VSS, VDD, VO, RS, R/W, E, and Data bits) allows for rapid prototyping and deployment across platforms like Arduino, STM32, and Raspberry Pi.
- Energy Efficient Design:
The optimized LED yellow-green backlight provides high brightness with minimal power draw, significantly extending the battery life of portable instruments.
Versatile Applications of the 8×2 LCD Display
The unique form factor of the 8×2 LCD Display makes it indispensable in several specialized sectors:
- Industrial Automation: Displaying inverter parameters, PLC status, and sensor feedback.
- Medical Technology: Integrated into portable blood pressure monitors, pulse oximeters, and handheld lab analyzers.
- Telecommunications: Used in optical power meters and network testing equipment.
- Smart Home Systems: Ideal for smart thermostat panels, water purifier status indicators, and electronic lock interfaces.
Technical FAQs
Q1: What are the primary advantages of an 8×2 LCD Display compared to a 16×2 module?
A1: The main advantage is spatial efficiency. The 8×2 LCD Display reduces the horizontal footprint by approximately 35%, allowing engineers to add more physical buttons or sensors to the front panel of a compact device while maintaining essential data feedback.
Q2: How does the ST7066-0T driver benefit the development process?
A2: The ST7066-0T is a global industry standard. Its command set is fully compatible with the HD44780, meaning developers can use existing open-source libraries. This compatibility reduces R&D time and ensures long-term component availability.
Q3: Is the 8×2 LCD Display readable in outdoor settings?
A3: Yes. This module uses transflective technology. It reflects ambient light to increase contrast in bright sunlight and uses its internal backlight for visibility in low-light conditions, ensuring 100% readability regardless of environment.
Q4: How should the contrast be adjusted on this module?
A4: Contrast is managed via Pin 3 (VO). We recommend connecting a 10K to 20K potentiometer between VDD and VSS, with the wiper connected to VO. This allows the user to fine-tune the liquid crystal driving voltage for the clearest possible image based on the specific viewing angle of the application.















