Description
16×1 LCD With White backlight for Arduino
This 16×1 LCD module from HOTHMIis designed to provide superior clarity and reliability in a variety of applications. The module employs a high-contrast scheme, using a bright blue background to highlight sharp white pixels, ensuring clear and legible text.
What’s the features and advantages of this 16×1 LCD Character Display Module?
The key feature of this 16×1 LCD module is its advanced transmissive liquid crystal display technology; this innovative mode allows ambient light to pass through the liquid crystal layer, allowing the display backlight to fully shine through the panel, ensuring clear viewing of the content. This 16×1 LCD module is rugged and durable, operates over a wide temperature range from -20°C to +70°C, and is compatible with both 5V and 3.3V power supplies, making it easy to integrate into both traditional and modern low-voltage systems.

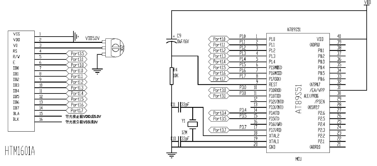
Interface connection reference diagram

Where to use 16×1 LCD Display Module?
The 16×1 Character LCD is a perfect fit for compact, single-purpose devices that need to present clear, alphanumeric information in a limited space. It shines in status monitors, sensor readouts, clocks, and as a learning tool in electronics hobbies. For more complex data presentation or user interfaces, a multi-line or graphical display is a better choice.Due to its wide operating temperature range, this 16×1 LCD Module is ideal for extreme environments, such as extremely cold or hot regions and harsh production workshops.
What advantages does this 16×1 LCD Display Module offer to development projects?
The inherent versatility of the 16×1 Character LCD Display Module is significantly enhanced by its excellent compatibility with ubiquitous development platforms like Arduino, Raspberry Pi, and other popular microcontrollers, supported by a wealth of well-documented libraries and code examples that drastically accelerate prototyping and product development. This combination of unwavering readability under all lighting conditions, extended thermal resilience, flexible power requirements, and seamless developer integration makes this single-line display an exceptionally dependable and cost-effective choice for a vast array of interfaces, from industrial control panels and laboratory equipment to point-of-sale systems and interactive consumer devices.
What customization services can we provide for this 16×1 LCD Display Module?
| Connector customization: Easily modify any connector on the display to meet your application requirements. Our engineers can solder pin headers, box headers, right-angle connectors, and any other connectors your display may require. |
| PCB modification: Choose from a variety of changes to the PCB shape, size, pinout, and component layout to perfectly fit your application. |
| Backlight color customization: The module backlight has a variety of combinations to choose from, including no backlight or yellow-green/blue/white/amber/red/RGB backlight options, with up to 48 effects to choose from. Click on the customization page for reference. |
| Font Customization: A variety of font libraries are available, including English/Japanese, Western European, Eastern European, Scandinavian European, Cyrillic (Russian), Hebrew/Arabic, and more. |
| Cable Customization: Adjust cable length, position, and pinout, or add additional connectors. Get a precisely designed cable solution that streamlines and secures your connections. |















